Electrical Surge Devices - for Industrial and commercial devices.
Electrical Surge Devices -BT PCM80 275 RM/4P
  • Overview
  • Features
  • Datasheet
  • Showcase
  • Inquiry

Electrical Surge Devices -BT PCM80 275 RM/4P

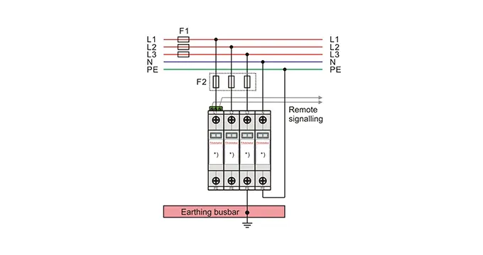
The BT PCM80 275 RM/4P(810761) power surge protector device needs to be installed at LPZ 0B-1 or higher locations to safeguard low voltage equipment against surge events. The device serves as an SPD Class II (Class C) component for TN-S power distribution systems with the "4+0" circuit configuration. This product received its design following IEC 61643-11:2011 and EN 61643-11:2012 and GB 18802.1-2011 standards.
  • Type

    BT PCM80 275 RM/4P

  • Art.-No.

    810761

Electrical Surge Devices
T2 Surge Protector for Power Distribution Systems 40kA 80kA
40kA 80kA Surge Protection for Industrial Electrical Installations
Location of Use:
Sub-Distribution Boards
System Type:
3 Phase TN-S
Protection Elements:
High Energy MOV
Surge Ratings:
In=40kA(8/20μs)
High Surge Currents:
Imax=80kA(8/20μs)

The BT PCM80 275 RM/4P functions as a powerful surge protection device that guards against surge events along with lightning strikes within four-phase electric systems. This surge protector has an 80 kA surge capacity to defend essential commercial and industrial facilities effectively. The system uses modular construction for straightforward servicing operations which reduce operational disruptions. System monitoring in real-time provides both efficiency and safety for operational systems.

Electrical Surge Device - BT PCM80 275 RM/4P

High-Performance Protection for Four-Phase Electrical Systems The BT PCM80 275 RM/4P represents a dependable electrical surge device which protects four-phase electrical systems from all types of transient overvoltage events as well as power surges and lightning-induced spikes. Engineered specifically for undesirable industrial yet commercial applications this protective device maintains system safety together with operational stability through its long-lasting reliability.
Surge Protection Device for 275V Circuits (T2) with 40kA 80kA Rating

Key Features:

  • High Surge Capacity: It demonstrates strong resistance against high-hazard electrical surges that reach 80 kA through 8/20 µs interruption times.
  • Four-Phase Design: The device offers complete protection across four-phase electrical systems specifically because of its designed configuration.
  • Wide Voltage Range: This device shows support for 275V AC system connectivity which enables its use in a wide range of applications.
  • Modular and Replaceable: Plug-in modules enable easy maintenance operations which decreases equipment downtime.
  • Real-Time Monitoring: The built-in status indicators enable real-time system checking for proactive maintenance activities.
T2 Surge Protection Device for 275V Systems 40kA 80kA

Technical Specifications:

  • Nominal Voltage (Un): 275 V AC
  • Maximum Surge Current (Imax): 80 kA (8/20 µs)
  • Voltage Protection Level (Up): ≤ 1.5 kV
  • Response Time: < 25 ns
  • Enclosure Protection Rating: IP20
40kA 80kA 275V Surge Protection for Electrical Systems (Type 2)

Applications:

  • Industrial electrical systems and machinery protection
  • Commercial power distribution and sensitive equipment
  • Infrastructures that include IT systems benefit from telecommunications infrastructure while data centers require these components also.
  • Renewable energy installations, such as solar and wind power systems
40kA 80kA 275V Type 2 SPD (Surge Protective Device)

Benefits:

  • The device offers complete defense for vital systems from both lightning events and power surge damages.
  • The system maintains higher reliability and cuts down equipment downtime throughout its operation.
  • Modular design facilitates quick and cost-effective maintenance.
  • Because of its long service life, system durability reduces both maintenance expenses and the need for product swaps.
Surge Protection for 275V Electrical Systems (T2)

Technical Data

Product Showcase

Type 2 Surge Protector 275V 40kA 80kA
Mounting
T2 275V Surge Protection Device 40kA 80kA
Mounting
T2 Surge Protector 40kA 80kA 275V
40kA 80kA 275V Type 2 Surge Protection Device
40kA 80kA 275V T2 Surge Protector

Start Your Project

We will respond to you within 24 hours after receiving your request email.
  • icon_check 3 Years Warranty
  • icon_check Free Customized Design
  • icon_check Welcome OEM and ODM Service
  • icon_check CE RoHS CB KEMA TUV Certificates
  • icon_check Surge Protecetive Device(SPD)Factory
  • icon_check 30+ Years Surge Protector SPD Experiences

    Get Free Catalog